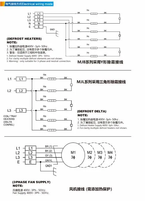
Mjl Industrial Evoparators for Cold Chain Logistics

Customization: Available
After-sales Service: Oversea Aftersales Is Available
Warranty: 12 Months

Product Description

ℹ️

Basic Information

Model NO.
MJL632C08R8-E
Certification
CE
Application
Cooler
Principle
Refrigeration Heat Exchanger
Style
Ceiling Type
Material
Stainless Steel
Voltage
380V/3p/50Hz
Fan Motor Dia.
800mm
Cooling Capacity
70kw
Color
White
Heat Area
213.4m2
Air Flow Rate
28000m3/H
Air Throw
62 Meters
Noise
62dB
Package Size
303.00cm * 423.00cm * 543.00cm
Gross Weight
2000.000kg
📋

Product Description

Our brand evaporator is suitable for any kinds of cold storage for food, vegetables, food processing workshops, and logistics centers. The compact design of our evaporators saves significant space for clients, and we utilize external fan motors with lower noise levels to create a comfortable working environment.

The cooling capacity range is from 1.0kw to 210kw, compatible with refrigerants such as R134A, R22, R404A, R507C, and R407C.

Product Features

  • Designed with advanced European technology for maximum efficiency.
  • External casing available in stainless steel or galvanized steel with electrostatic spraying, complying with hygiene standards.
  • Anti-corrosive aluminum inner casing and floating coil design to prevent pipe breakage.
  • High-efficiency 15.88mm and 12.7mm inner thread copper pipes for superior heat exchange.
  • Scientific mold-based fin stamping reduces wind resistance.
  • Extended wind guides improve motor efficiency and increase air flow (for motors over 500mm).
  • Bottom windshield design prevents air bypass, ensuring air flows through the fan coils.
  • Equipped with international brand external fan motors.
  • Pressure gauge connections included as standard on all units.
  • Top-tier brand stainless steel electric heaters for rapid defrosting.
  • Middle and large size evaporators include an installation frame for easy shipping and mounting.
🖼️

Detailed Photos

Industrial Evaporator Details
Industrial Evaporator View
Logistics Evaporator
Component Detail
Fan Motor Detail
Internal Structure
Manufacturing Detail
Assembly Detail
Quality Check
📊

Product Parameters

Technical Drawing 1
Technical Drawing 2
Model Specification MJL632C08R6-E MJL632C08R8-E MJL633C08R6-E MJL633C08R8-E MJL634C08R6-E MJL634C08R8-E
Cooling Capacity (kw) SC1 (Δt=10K) 56.4 70 85.8 106.2 113.9 140.9
SC2 (Δt=8K) 37.9 47.1 58.1 72 76.6 94.8
Heat Exchange Area (m²) 159.5 213.4 241.1 321.5 322.16 429.5
Air Flow Rate (m³/h) 28900 28000 43400 42100 57900 56200
Total Fan Power (W) 3700 3700 5550 5550 7400 7400
Air Throw (m) 63 62 66 65 67 66
Weight (kg) 375 395 560 595 745 780
Model Dimensions
🏢

Manufacturing Facility

Factory Overview
Production Line 1
Production Line 2
Production Line 3

Frequently Asked Questions

How long is the warranty period?
We provide a 12-month warranty from the date you receive the goods.
Are you a factory or a trading company?
We are a comprehensive refrigeration equipment factory. We produce air-cooled and water-cooled condensing units, water chillers, evaporators, and air condensers. We collaborate with major international compressor brands.
Can we purchase evaporators and condensing units together?
Yes, as a refrigeration solution provider, we offer complete systems including installation spare parts for your convenience.
Which refrigerants are compatible with your evaporators?
Our evaporators are designed to work with various Freon refrigerants, including R134A, R22, R404A, R507C, and R407C.
What materials are used for the outer casing?
The casing is typically made from stainless steel or galvanized steel sheet with advanced electrostatic spraying to meet high hygiene standards.
Is technical support available for installation?
Yes, we provide technical specifications, and our middle to large size evaporators come equipped with installation frames to simplify the mounting process.

Related Products